亞洲建築工程網
  • T頭錨錠規格-光隆摩擦焊股份有限公司 T頭錨錠規格-光隆摩擦焊股份有限公司

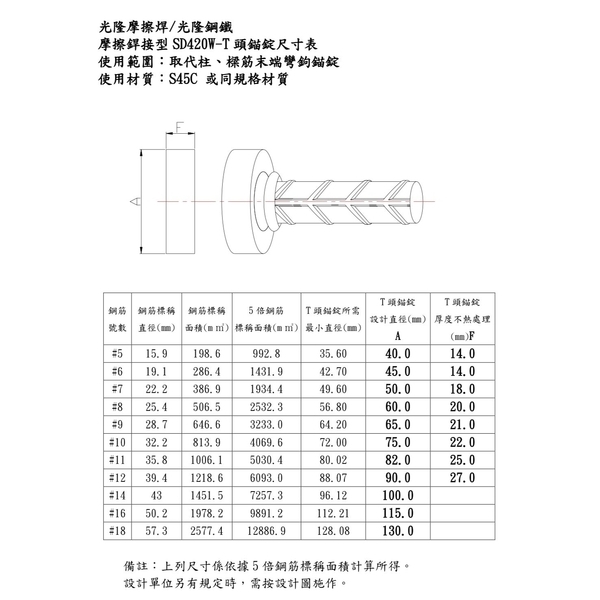
T頭錨錠規格

T頭錨錠規格

公司 : 光隆摩擦焊股份有限公司

電話 : 037-878989

服務 : T頭錨錠規格鋼筋續接器摩擦熔接加工全自動摩擦焊加工摩擦焊整廠輸出,SCM440續接器,金屬加工處理,金屬結構,建築組件,鋼鐵軋延及擠型,鋼材二次加工,金屬鍛造,再生能...

T頭錨錠規格產品說明

T頭錨錠規格

光隆摩擦焊股份有限公司

光隆摩擦焊股份有限公司,為達成鑫鋼鐵及光隆鋼鐵之關係企業及協力廠商,主要從事摩擦焊接型鋼筋續接器製造及加工,工廠位置坐落於苗栗三義及高雄路竹。

光隆摩擦焊生產之續接器原料一律採用SCM440鉻鉬合金鋼,為高韌性合金結構鋼,其具有成分穩定、有害元素低、鋼質純淨度高、脫碳層小等優點,該材料提供了許多理想的性能,例如良好的強度和耐磨性,優異的韌性,良好的延展性和抗高溫應力的能力,無須以熱處理提高續接器抗拉強度。而目前台灣廠商多使用S45C中碳鋼材質,並透過熱處理方式提高材料強度,以達到設計需求。本公司亦特製螺紋牙規,以確保CNC加工螺紋時,每組產品的組合均能達到設計的要求〔諸如,內螺紋(母頭)、外螺紋(公頭)的抗拉強度,以及螺紋結合的抗剪強度等〕。

在加工鋼筋端部整平部分,則是依據公共工程第03210章V5.0及耐震標章建築規定使用自動化圓鋸及慢速整平設備,以確保加工端面如規範要求般平整。更搭配自動化摩焊流程控制相關摩擦參數等。上述諸多強化鋼筋續接器品質的投資,都是為了能讓摩擦焊接型鋼筋續接器,能更符合建築技師及結構技師的要求,因為我們比客戶更在意品質,也希望為台灣的摩擦焊產業建立起新標竿。

鋼筋續接器為RC及SRC結構單元中極重要的鋼筋連結組件,續接器的材質、CNC加工的螺紋、加工鋼筋端部的整平、續接器與鋼筋的摩擦熔接加工、現場鋼筋續接器組立以至工地現場取樣試驗,每一個環節都攸關著建築結構的安全。因此,本公司對於上列的加工品質特別重視,以達到各級業主的要求。

立即洽詢